SPECIFICATIONS:
Discharge Diameter: DN 80 ~ 800 mm
Flow Rate Range: 83.5 ~ 9810 m³/h
Head Range: 13.8 ~ 160 m
Operating Temperature: +1℃ ~ +80℃
Inlet Pressure: Up to 0.6 MPa (depending on material)
Looking for a high-efficiency Single-stage Double-suction Split-case Pump? The KLS Series features a robust split-case design, ideal for heavy-duty water transport. View specs & get a quote today!
Kenda KLS series single-stage double-suction split-case pump is a new generation of products developed by integrating advanced international double-suction pump technology with high-efficiency hydraulic models. Designed for municipal water supply, HVAC cooling systems, and industrial irrigation. Its axially split casing allows for easy access to internal components without disturbing piping—perfect for reducing downtime in critical applications.
Technical Advantages
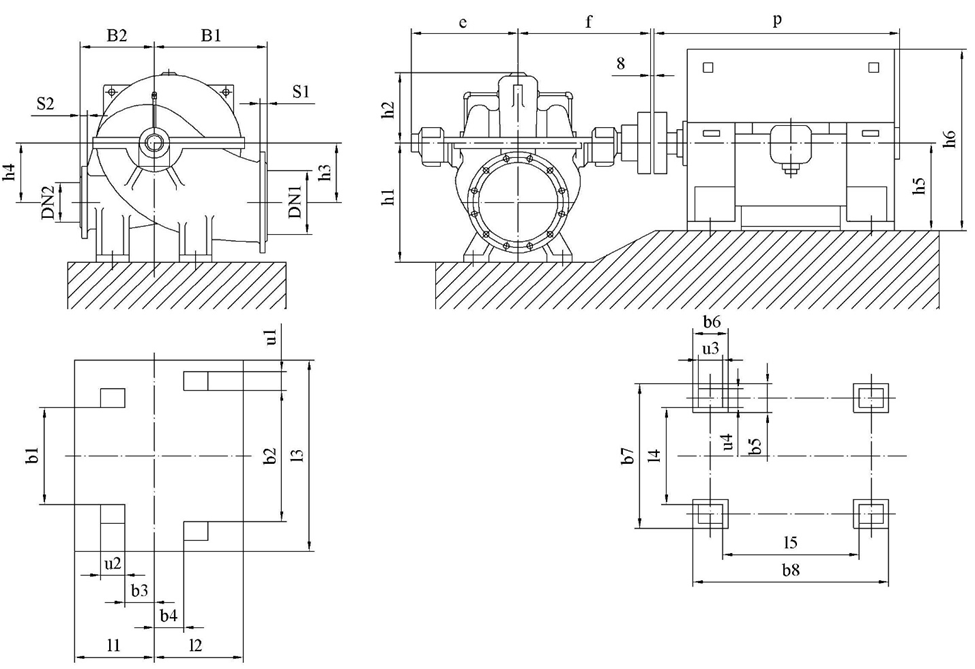
Easy Maintenance: Featuring a horizontally split-case design, it allows for internal inspections and parts replacement without dismantling the inlet/outlet pipelines or the motor.
Smooth Operation: The symmetrical double-suction impeller design theoretically balances axial forces automatically, resulting in low vibration and noise during operation.
Flexible Configuration: Supports both horizontal and vertical installation (for small models); sealing options include packing seals or mechanical seals; the direction of rotation can be customized upon request.
Long Service Life: The shaft is completely sealed and does not come into contact with the medium, effectively preventing corrosion and significantly extending the operating life.
Product Classification
Based on the medium being transported, the KLS series offers three professional configurations:
Standard Type: Designed for clean water and pure liquids with physical and chemical properties similar to clean water.
Wear-resistant Type: Specially engineered for silty rivers and water with high sand content (solid particles ≤ 80mg/L), offering higher efficiency and enhanced wear resistance.
Corrosion-resistant Type: Utilizes specialized corrosion-resistant materials and mechanical seals, suitable for transporting various chemically corrosive liquids.
Structure

1 | Bearing Assembly (B) | 7 | Impeller Spacer Sleeve | 13 | Impeller Key | 19 | Shaft Sleeve Key |
2 | Packing Gland | 8 | Seal Flushing Pipe Assembly | 14 | Stuffing Box Bushing | 20 | Bearing Housing |
3 | Pump Casing | 9 | Casing Wear Ring | 15 | Shaft Sleeve (A) | 21 | Drive Key |
4 | Lantern Ring | 10 | Impeller | 16 | Gland Packing | 22 | Coupling Assembly |
5 | Shaft | 11 | Pump Cover | 17 | Shaft Sleeve (B) | 23 | Mechanical Seal Assembly |
6 | Stuffing Box Bushing | 12 | Air Vent Pipe Assembly | 18 | Bearing Assembly (A) | 24 | Mechanical Seal Gland |
Quick Selection Chart

Technical Specifications Chart
<td class="xl69" style="border-color: rgb(221, 221, 221); border-w
| NO. | Type | Capacity | Head | Speed | Motor power | Eff. | (NPSH)r | Weight | ||
| m3/h | l/s | (m) | (r/min) | (kW) | (%) | (m) | (kg) | |||
| 1 | 350-630 | 1296 | 360 | 140 | 1480 | 1000 | 85 | 6.9 | 2630 | |
| 2160 | 600 | 126 | ||||||||
| 2592 | 720 | 116 | ||||||||
| 2 | A | 1290 | 358.3 | 128 | 900 | 84 | ||||
| 2000 | 556 | 116 | ||||||||
| 2400 | 666 | 106 | ||||||||
| 3 | B | 1185 | 329 | 118 | 800 | 83.5 | ||||
| 1920 | 533.3 | 106 | ||||||||
| 2304 | 640 | 96 | ||||||||
| 4 | C | 1110 | 308.3 | 107.8 | 710 | 83.5 | ||||
| 1830 | 508.3 | 95.6 | ||||||||
| 2196 | 610 | 85 | ||||||||
| 5 | D | 1050 | 291.7 | 93.8 | 560 | 82 | ||||
| 1695 | 470.8 | 83 | ||||||||
| 2200 | 611 | 68 | ||||||||
| 6 | 400-560 | 1535 | 426 | 98 | 1480 | 800 | 85 | 7 | 2700 | |
| 2635 | 732 | 86 | ||||||||
| 3420 | 950 | 70.8 | ||||||||
| 7 | A | 1102 | 306 | 81.8 | 710 | 83 | ||||
| 2430 | 675 | 60 | ||||||||
| 3500 | 972 | 42 | ||||||||
| 8 | B | 750 | 208 | 73.2 | 630 | 81 | ||||
| 2232 | 620 | 50 | ||||||||
| 2851 | 792 | 36.8 | ||||||||
| 9 | C | 504 | 140 | 61.2 | 630 | 79 | ||||
| 2070 | 575 | 38 | ||||||||
| 2350 | 653 | 33.1 | ||||||||
| 10 | D | 1380 | 383 | 69 | 560 | 77 | ||||
| 2237 | ||||||||||